Renson Sonovent Compact
Download hier de brochure van de Sonovent Compact :
Heeft u vragen over dit ventilatierooster of wenst u een bestelling te plaatsen?
Wij helpen u graag per telefoon 0418 638 980 of via email [email protected].
ZELFREGELEND: P3
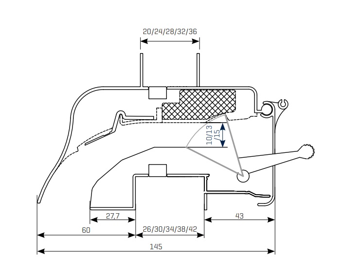
Dankzij zijn zelfregelende klep staat de Sonovent Compact borg voor de toevoer van verse en gezonde lucht zonder tocht.
THERMISCH ONDERBROKEN
Geen koude-overdracht van buiten naar binnen.
GELUIDDEMPEND
Variabele geluidsdemping in functie van de gekozen doorlaatopening, gaande van 33 dB tot 36 dB.
DRIE VERSCHILLENDE DEBIETEN MET ÉÉN EN HETZELFDE MODEL
De Sonovent Compact heeft 3 verschillende mogelijke doorlaatopeningen (10, 13 of
15 mm), zodat drie verschillende debieten kunnen gehaald worden.
INSECTENWEREND
Het geperforeerde binnenprofiel houdt muggen, vliegen en andere ongewenste insecten buiten.
EPB-CONFORM / INTEGRATIE IN SYSTEEM C+®
Zelfregelend EPB-conform rooster dat geschikt is om samen te werken met Healthbox 3.0.
